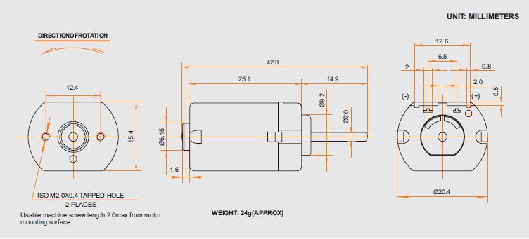
carbon brush motor CYFS-130SA-09450-R2
Typical Application
Automotive Products: Car water pump
| MODEL | VOLTAGE | NO LOAD | AT MAXIMUM EFFICIENCY | STARTING | ||||||||
| OPERATING RANGE | NOMINAL | SPEED | CURRENT | SPEED | CURRENT | TORQUE | OUTPUT | TORQUE | CURRENT | |||
| r/min | A | r/min | A | g.cm | mN.m | W | g.cm | mN.m | A | |||
| CYFS-130SA-09450 | DC9-15V | DC13V | 8254 | 0.047 | 6325 | 0.156 | 15.2 | 1.49 | 1.03 | 65.04 | 6.37 | 0.513 |
Contact: Sammy
Skype:
Tel:
Email: sammyfu@electricmotorscn.com
Add: 5th Floor, Building 3, Huafeng Zhenbao Industrial Park ,Beihuan Road, Shiyan Street, Bao'an District, Shenzhen City, China.