Industry news

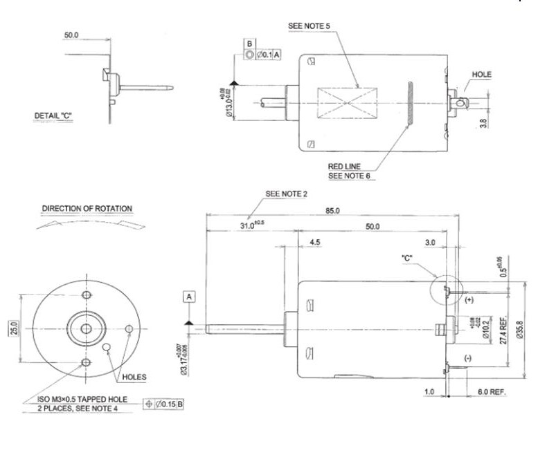
Sewing machine motor TRW555-240L01

Today I recommend a motor to you, model TRW555-240L01. Which is our main product. This motor has been very successful in sewing machine market. It is a typical sewing machine motor. We can adjust motor parameters according to customer requirements, so as to meet customer needs.


TRW555-240L01 is our old part number and  CYRS555-D024L01 is our new part number. They are the same motor.


sewing machine motor


CONTACT US

Contact: Sammy

Skype:

Tel:

Email: sammyfu@electricmotorscn.com

Add: 5th Floor, Building 3, Huafeng Zhenbao Industrial Park ,Beihuan Road, Shiyan Street, Bao'an District, Shenzhen City, China.